HXGN17-12户内交流环网开关柜
详细说明

一、产品概述
HXGN17-12系列环网固定式交流金属封闭开关设备(简称环网柜)是三相交流额定电压12KV、额定频率50HZ的环网供配电系统和辐射式供配电系统中的开关成套设备,作为变压器、电缆、架空线等电力设备的保护、控制之用。
其主要开关元件采用压气式负荷开关及组合电器和真空负荷开关及组合器电器。
二、正常使用条件
周围空气湿度:+40oC~ -10oC
海拔高度:不超过1000M
相对湿度:日平均值不大于95%
月平均值不大于90%
地震强度:不超过里氏8级
周围空气应不受腐蚀性或可燃气体、水蒸气等明显污染、无经常性剧烈震动场所。
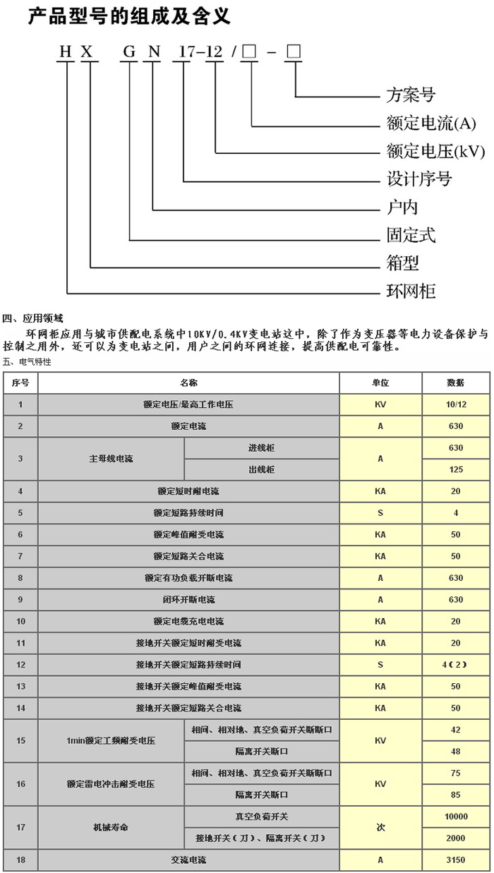
三、型号含义





关闭返回