德力西昆明总部,云南德力西,昆明德力西,云南德力西总代理
设为首页
加入收藏
服务热线
15887176008(赵女士)
0871-63838666
您是否在搜索:
德力西昆明总部,云南德力西,昆明德力西,云南德力西总代理
网站首页
关于我们
产品中心
成功案例
公司动态
行业新闻
联系我们
产品分类
产品中心
登峰产品系列
终端电器
微型断路器
漏电保护器
过欠压保护器
浪涌
配电箱
隔离开关
插座
自动控制装置
熔断器
配电电器
万能式断路器(ACB)
自动转换开关电器(ATS)
塑料外壳式断路器(MCCB)
电子式塑料外壳式断路器
热磁式塑料外壳式断路器
漏电保护塑料外壳式断路器
塑料外壳式直流断路器
隔离开关/隔离器
熔断器(FU)
工业控制类产品
电动机控制与保护
通用型接触器
特殊用途接触器
热过载继电器
接触器式继电器
电动机控制与保护开关
电动机断路器
电磁起动器
电动机保护器
电动机起动器
电动机控制器
小型电磁继电器
工业设备及开关
按钮及指示灯
限位开关
凸轮(万转)开关
接线端子
感应开关
动力开关
电阻器
电流、电压变送器
变频器
继电器系列
时控开关
固态继电器
时间继电器
计数器/累时器
液位继电器
电流继电器
断相、相序保护继电器
正反转控制器
经纬度时控开关
路灯自动控制开关
电能管理及维护
电能管理系统
电能表系列
电测量仪表系列
鉴相鉴幅漏电继电器
互感器系列
电容器系列
功率补偿器件
电抗器系列
电源类产品
稳压器系列
调压器系列
逆变电源系列
充电机系列
通用开关电源系列
UPS 不间断电源系列
EPS 消防应急电源系列
变压器系列
成套设备
电气辅材
电气材料
接线端子/端子排
电线电缆
扎带/固定类
线槽/线管/线缆保护
线缆及电气标识
导轨
绝缘材料
电工胶带
手工具
测量类工具
电子电工类工具
工具套装/箱包类
绝缘类工具
紧固类工具
夹持类工具
机工类工具
领航者系列
新纪元系列
全新6系列
高压开关柜
高压环网柜
箱式变电站
高压无功补偿柜
高压电缆分支箱
低压开关柜
电缆桥架箱柜
红手柄微断
高压户外真空断路器
微机控制直流屏
联系我们
德力西集团昆明销售总部
联系人:赵女士
手 机:15887176008
电 话:0871-63838666
0871-63853666
0871-67181000
0871-67151888
0871-63825545
地 址:云南省昆明市官渡区雨龙路1713号(佳凯大酒店旁)
业务QQ:994112956
当前位置:
首页
>
产品中心
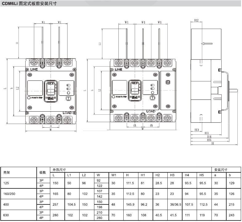
CDM6Li系列热磁式剩余电流动作断路器
详细说明
上一条:
CDM9L系列热磁式剩余电流动作断路器
下一条:
DZ15LE系列热磁式剩余电流动作断路器
关闭返回